本技術中心 全國范圍內 承接自動化系統集成設計 成套控制柜的制作
承接機械設備的電器配套服務 編程 調試
承接 變頻器 伺服驅動器 PLC 觸摸屏 等控制器的電路板維修服
歡迎來電 商務洽談 技術交流
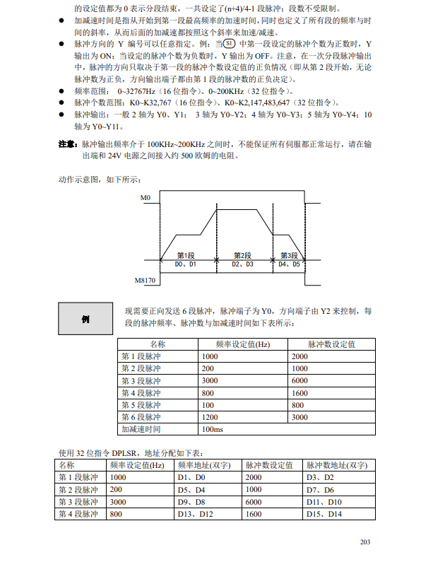
三菱/信捷 PLC PLSR/DPLSR 多段雙向脈沖帶加減速脈沖輸出指令詳解
指令格式 PLSR [S1 S2 BIT1 BIT2] 16位脈沖輸出指令
DPLSR [S1 S2 BIT1 BIT2] 32位脈沖輸出指令
S1:多段脈沖數據中 首段脈沖頻率數據
S2:加減速時間
BIT1:輸出的端口
BIT2:方向端口
程序樣例


上述為程序樣例 S1=D4000 S2=D100 BIT1 =Y0 BIT2 =Y1
第一段頻率 K3000 脈沖數量D0
第二段頻率 K2000 脈沖數量K20000
第三段頻率 K4000 脈沖數量K30000
加減速時間 K100毫秒
程序執行 脈沖指令位M8170接通 當脈沖輸出完畢 位M8170由ON變OFF
雙字D8170 存儲累計輸出的脈沖輸 雙子D8190存儲當前指令輸出的脈沖數
脈沖的方向只取決于第一段的脈沖個數設定值的正負情況
第一段設定的脈沖個數為正數時,Y
輸出為 ON;當設定的脈沖個數為負數時,Y 輸出為 OFF



聯系人:焦經理
手機:15054540955
電話:15054540955
郵箱:ytqh_electric@163.com
地址: 山東省煙臺市經技術開發區珠江路42號